什么是屬具的安裝等級?
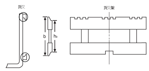
屬具安裝等級系指屬具產品背面的安裝掛鉤型式。標準產品均帶有這些掛鉤,要求叉車貨叉架符合國際標準,以便正確的掛裝聯(lián)接。
安裝等級含義具體如下圖表:

2級安裝 | 3級安裝 | 4級安裝 | 5級安裝 | ||||||
叉車 | 1000~ 2500 | 2501~4999 | 5000~8000 | 8001~10999 | |||||
單位 | 公制 | 英制 | 公制 | 英制 | 公制 | 英制 | 公制 | 英制 | |
b公稱 | 407 | 16.02 | 508 | 20 | 635 | 25 | 728 | 28.66 | |
h3 | 最大 | 381 | 15 | 476 | 18.74 | 597.5 | 23.5 | 681 | 26.8 |
h3 | 最小 | 380 | 14.96 | 474.5 | 18.68 | 595 | 23.44 | 678 | 26.7 |
注:若需將屬具安裝在非標準貨叉架上,請事先向卡斯卡特(廈門)公司銷售部查詢有關事宜。
卡斯卡特全球 丨 產品 丨 行業(yè)應用 丨 智能方案 丨 客戶支持 丨 聯(lián)系我們 丨 登錄/注冊
?2020 卡斯卡特(廈門)叉車屬具有限公司 備案號:閩ICP備05002653號
服務熱線
4008857315